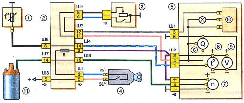
Снятие комбинации приборов![]() Схема соединений комбинации приборов: 1 - датчик указателя температуры охлаждающей жидкости; 2 - монтажный блок; 3 - датчик указателя уровня топлива; 4 - выключатель зажигания; 5 - комбинация приборов; 6 - указатель уровня топлива; 7 - тахометр; 8 - указатель температуры охлаждающей жидкости; 9 - вольтметр; 10 - замедлитель контрольной пампы резерва топлива; 11 - катушка зажигания. Отсоединяем провод «массы» от аккумуляторной батареи. Снимаем козырек и накладку (пульт) панели приборов (см. «Снятие панели приборов» ). Рулевое колесо можно не снимать (на фото снято для наглядности). ![]() Крестообразной отверткой отворачиваем четыре самореза крепления комбинации приборов. Отводим комбинацию приборов вверх и отсоединяем вал привода спидометра от комбинации приборов, (см. «Снятие гибкого вала привода спидометра» ). ![]() Отсоединяем трубку от штуцера эконометра. ![]() Отсоединяем от разъемов комбинации приборов красную (в центре) и черную (слева) колодки проводов. Пометив цвета проводов,... ![]() ...отсоединяем их штекеры от выводов тахометра. ![]() Снимаем комбинацию приборов. Устанавливаем комбинацию приборов в обратной последовательности. |